欢迎来到罗托克(天津)自动化技术有限公司网站!

详细介绍
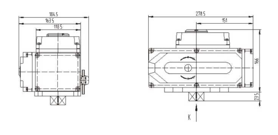
QH外形尺寸图和参数/角度的调整
QH100-QH200?b 型尺寸
05型、10型、16型的限位凸轮和微动开关的布局图


角度的调整
①电器限位的聃整
松开限位凸轮的顶丝,使其轻辕沔从而调整凸轮角度来改变微动开关的击场位置,确定位置后,签固 凸轮的顶丝,调整完毕。
⑴用手柄使执行器转动至全开位置,松开锁签螺母,蹈专顶丝使其与梱戒挡块嵐虫后再反向旋转180度 并锁签螺母。
(2陸闭位置的梱戒挡块调整采取以上相同方法。
QH角度的调整

25型-200型的限位凸轮和微动开关的布局图

to械限位的聃整

QH的安装/连接個门/配线
■安装
疫装场所可以是室内、室外、地F
度装注宜鄆页:
⑴本产品属于非防爆产品,故不能安装在有爆炸性气体的室 内i
(2度装在水雰飞鴻的场合时,请加防护罩,以免造成渗水而掲 坏机器i
⑶室内安装还应该预留进线、手动操作所需空间i
㈤室疗吱装请加防护罩,减少阳光直I寸,避免机体内元器件加 速者化

■连接阀门
① 手动转动阀门,确定阀门正常后将其车詞至全关位置i
② 用螺钉将支架轻轻固定在阀门上i
③ 将联轴器套在阀杆上i
成确定执行器状态为全美位置后将其输出轴插入固定于阀杆的 联轴器中i
⑤用螺丝将执行器固定在支架上{因梱戒装置有不可避免的间 障,偶尔出现螺丝孔对不齐情况属于常状况,我们只需要用手动摇 杆稍加转动执行器便可解决此类问题);
虱宁签怫田牛螺丝,完毕安装。
■配线産接
① 建议使用6 6-611电缆线,以确保连线的安全可靠。
•将电缆线通过锁盖和线索,线头按线路图固定在接线S子 上,然后锁签线锁盖从而固定电缆。
② 使用电缆管时,要采取防水对策。
•如图所示,阀门执行器安装位置应高于电缆管的位置,确保 水球不会沿电缆流入执行器中。

接通电源
① 清按产品铭牌或线路图所标示的电压确定输入电压, QH系列产品输入电压如下:
(1) AC220V±10% 50/60HZ
(2) AC380V±10%
(3) AC110V±10% 50/60HZ
(4) DV24V-DC220V
② 必■须使用保险丝或短路开关,其容量大小在电动执行器正 常工作电祢]22 倍之间比较适合。

产品咨询