欢迎来到罗托克(天津)自动化技术有限公司网站!

详细介绍


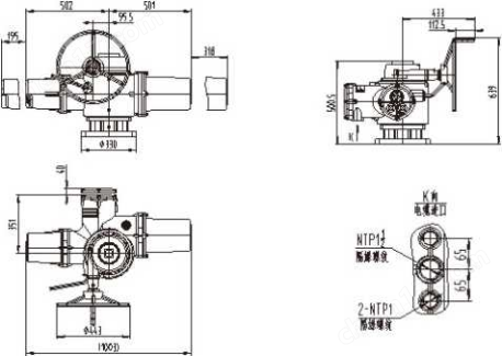
TIQ执行机构*进的智能型非屋人式电动岡门执行机构,可提好回转、部会回转和直行 程注项-
■结构坚固,采用双密封,改场接线时可有效地防水防尘(IP67/IW0- 2m ,4孙时〕
■三相、単相和直誑电源执行机构
■作为标准功能的内宜数据记录机构
■兼容IrDATM标准,通flinsighi pc软件对执行机构进行本地和远程会析
■简洁、易控制和指示功能
■显示状态和设宜的麥语言交本显示屛
■简単的力矩和位宜控制,增强可靠性
■综合控制和指示灵活性
■有防水或防煤规格可供注择.
■直接力矩输出范围35Nm
罗托克(天津)自动化技术有限公司是一家科技型 公司以“智能(intelligence)"、“可靠(Rellable)"、"泛用(Geneno)"为宗旨,开发企业,专业从事电动执行器、电动阀门及配套产品的研 出多种实用可靠的新型产品,广泛应用于冶金、化工、电力、水处理、食品、楼宇自控等行发、生产和销售,迄今已有近三十年的专业生产史。公 业。近年来公司为响应国家环保减排的号召,推出电站脱硫脱销专用纯智能型电动执行器,已司拥有员工80人,技术人员10人,下设三个生产加工车 用于国内多家大型电厂的脱硫脱硝改造项目,为国家的环保事业贡献出了自己的力量。间、一个阀门装配车间和一个电动装配调试中心,拥有 在发展国内市场的同时,公司也一直在积极推广海外市场,目前产品已出口到新加坡、马现代化的加工中心、数控机床、卧、立式车铣床、镗床 来西亚、面甸、哈萨克斯坦、尼日利亚和沙特阿拉伯等国家。公司多年来积极引进国外技术,磨床及检测设备等60余台,实现了集约型生产管理模式 并根据用户的需求和建议不断改进,努力提高知识水平与生产技术,争取把产品提升到一个新主要产品有:TIQ型多回转智能电动装置系列、TIT型部 的高度和层次。随着市场经济的快速发展,我们坚信“科技创新"是企业发展的生命力,公司将“一如既分回转智能电动装置系列、QT型部分回转电动装置系列 往,诚实经营",以“奉献精品"为己任,进一步务实基础,强化管理QH精小型部分回转电动装置系列、电动阀门系列、高标 户至上"的质量方针,树立“用户的满意是我们最大的追求目标"的企业信念,不断科技创不锈钢蝶阀系列及国标蝶阀、闸阀、球阀、蝶阀、止回 新,与时俱进,有志把罗托克事业做大做强,为区域经济发展和行业的腾飞做出贡献。阀、截止阀等产品。质量可靠。 竭诚欢迎有志之士,加盟合作,实现利益共赢,共创美好未来。
产品咨询